New Energy Power Generation
Energy Storage Inverters
-
Industry Requirements
-
Application Solutions
-
Product Selection Recommendation
Industry Requirements
IGBT modules play a vital role as core components in energy storage inverters. Their outstanding power conversion efficiency, high reliability, and long lifespan provide stable and efficient energy conversion, ensuring the stable operation of energy storage systems and the effective utilization of energy. With continuous advancements in energy storage technology and the rapid growth of the market, the demand for power IGBT modules in the energy storage inverter industry will continue to rise, driving the collaborative development of both sectors.
Application Solutions
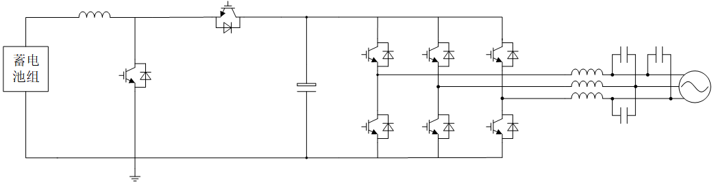
Topology Structure

Product Selection Recommendation
| Type | Voltage(V) | Current(A) | Packages | Topology |
| MMG150B065PD6TC | 650 | 150 | GB | PD |
| MMG450WB120B6TC | 1200 | 450 | GWB | B |
| MMG600WB120B6T6 | 1200 | 600 | GWB | B |
| MMG300WB120TLB6TC | 1200 | 300 | GWB | TLB |
| MMG300WB120TLA6TC | 1200 | 300 | GWB | TLA |
| MMG150CE065PD6TC | 650 | 150 | GCE | PD |
| MMG150CE065PD6T6 | 650 | 150 | GCE | PD |
| MMG200CE065PD6T5 | 650 | 200 | GCE | PD |
| MMG560WQ120BF6T7 | 1200 | 560 | GWQ | BF |
| MM75G3T65B | 650 | 75 | TO-247-3L | / |
| MM120G3T65BM | 650 | 120 | TO-247 Plus-3L | / |
| MM15G3T120B | 1200 | 15 | TO-247-3L | / |
| MM25G3T120B | 1200 | 25 | TO-247-3L | / |
| MM40G3T120B | 1200 | 40 | TO-247-3L | / |
| MM50G3T120BM | 1200 | 50 | TO-247 Plus-3L | / |
| MM40G3U65B | 650 | 40 | TO-247-3L | / |
| MM50GBU65B | 650 | 50 | TO-247-3L | / |
| MM60G3U65B | 650 | 60 | TO-247-3L | / |
| MM25G3U120BX | 1200 | 25 | TO-247-3L | / |
| MM40G3U120BX | 1200 | 40 | TO-247-3L | / |
| MM50G3U120BMX | 1200 | 50 | TO-247 Plus-3L | / |
| MM75G5U65BX | 650 | 75 | TO-247-3L | / |
| MM75G5U65BKX | 650 | 75 | TO-247-4L | / |
| MM40G5U120BX | 1200 | 40 | TO-247-3L | / |
| MM75G5U120BM | 1200 | 75 | TO-247 Plus-3L | / |
| MM75G5U120BKM | 1200 | 75 | TO-247 Plus-4L | / |
| MM75G5T65B | 650 | 75 | TO-247-3L | / |
| MM100G5T65B | 650 | 100 | TO-247-3L | / |
| MM140G7U120BKM | 1200 | 140 | TO-247 Plus-4L | / |