Electric Vehicles
HVAC Systems
-
Industry Requirements
-
Application Solutions
-
Product Selection Recommendation
Industry Requirements
Heating, ventilation, and air conditioning (HVAC) systems refer to the systems or related equipment responsible for heating, ventilating, and regulating air within indoor or vehicle environments. These systems comprise components such as power plant rooms, cooling water systems, and air handling units.
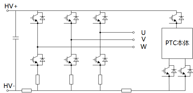
Application Solutions
Topology Structure

Product Selection Recommendation
| Type | Voltage(V) | Current(A) | Packages | Topology |
| MM40G3T120B | 1200 | 40 | TO-247 | / |