Household Appliances
White Goods
-
Industry Requirements
-
Application Solutions
-
Product Selection Recommendation
Industry Requirements
With the modern family’s pursuit of high-quality living and the widespread adoption of smart home systems, the home appliance industry is undergoing unprecedented technological innovation and demand growth. In this development trend, power semiconductor devices play a critical role. As core components in energy conversion and control, power semiconductors not only determine the energy efficiency, operational stability, and service life of home appliances, but also directly affect the level of smart features and response speed of the products. From energy-efficient inverter air conditioners and refrigerators to fast-heating smart kitchen appliances, the application of power semiconductor devices has greatly enriched the functionality and user experience of home appliances. As the home appliance market continues to demand high-efficiency, smart products, the need for high-performance, highly reliable power semiconductor devices is becoming increasingly urgent, driving continuous technological advancements and industrial upgrades in this field, creating significant market demand and vast development potential.
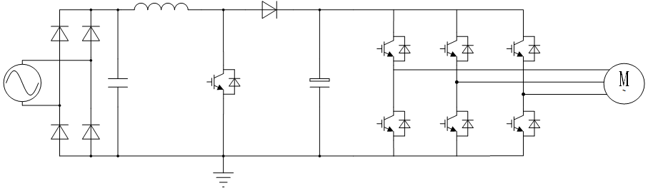
Application Solutions
Topology Structure

Product Selection Recommendation
| Type | Voltage(V) | Current(A) | Packages | Topology |
| MMG75HE120XB6T7 | 1200 | 75 | GHE | XB |
| MMG10CB120XB6TC | 1200 | 10 | GCB | XB |
| MMG15CB120XB6TC | 1200 | 15 | GCB | XB |
| MMG25CE120XB6TC | 1200 | 25 | GCE | XB |
| MMG35CE120XB6TC | 1200 | 35 | GCE | XB |
| MMG50HD120XB6TC | 1200 | 50 | GHD | XB |
| MMG50HD120XT6TC | 1200 | 50 | GHD | XT |
| MMG75W120XB6TC | 1200 | 75 | GW | XB |
| MMG75WD120XB6TC | 1200 | 75 | GWD | XB |
| MM40G3U65B | 650 | 40 | TO-247-3L | / |
| MM50GBU65B | 650 | 50 | TO-247-3L | / |
| MM60G3U65B | 650 | 60 | TO-247-3L | / |
| MM75G5U65BX | 650 | 75 | TO-247-3L | / |
| MM75G3T65B | 650 | 75 | TO-247-3L | / |
| MM75G5T65B | 650 | 75 | TO-247-3L | / |
| MM15G3T120B | 1200 | 15 | TO-247-3L | / |
| MM25G3T120B | 1200 | 25 | TO-247-3L | / |
| MM40G3T120B | 1200 | 40 | TO-247-3L | / |
| MM50G3T120BM | 1200 | 50 | TO-247 Plus-3L | / |
| MM75G5U120BM | 1200 | 75 | TO-247 Plus-3L | / |
| MM3N150PF | 1500 | 2.5 | TO-3PF | / |
| MM15F060K | 600 | 15 | TO-220C-2L | / |
| MM15F060K1 | 600 | 15 | TO-220F-2L | / |
| MM15FU60K | 600 | 15 | TO-220 | / |
| MM30FU060B | 600 | 30 | TO-247-2L | / |
| MM30FU60K | 600 | 30 | TO-220C-2L | / |
| MM30FU060K1 | 600 | 30 | TO-220F-2L | / |
| MM60F060P | 600 | 60 | TO-3PB-2L | / |
| MM60F060B | 600 | 60 | TO-247-2L | / |
| MM60FU060B | 600 | 60 | TO-247-2L | / |
| MM75F60B | 600 | 75 | TO-247-2L | / |
| MM15FU120K | 1200 | 15 | TO-220A-2L/TO-220B-2L | / |
| MM30FU120K | 1200 | 30 | TO-220A-2L/TO-220B-2L | / |
| MM30FU120B | 1200 | 30 | TO-247-2L | / |
| MM30FC120B | 1200 | 30 | TO-247-2L | / |
| MM60F120B | 1200 | 60 | TO-247-2L | / |
| MM60FU120B | 1200 | 60 | TO-247-2L | / |