MMG600WQ100PD6T7
-
features
-
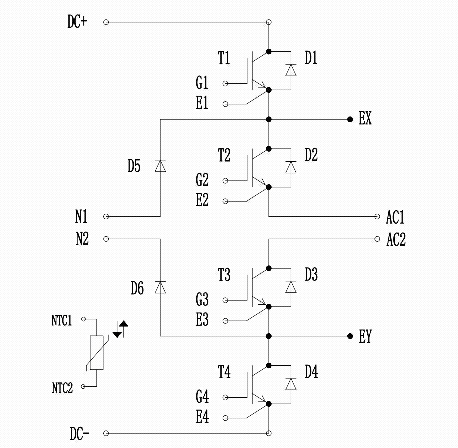
Topology
-
Application
-
Parametrics
features
MACMIC M7i Chip Technology
Low Vce(sat) with low switching loss
Topology

Application
Photovoltaic Inverters
Energy Storage Inverters
Parametrics
| Type | MMG600WQ100PD6T7 |
| VCES (V) | 1000 |
| IC (A) | 600 |
| Technology | M7i |
| Configruation | 3-level I-NPC |
| Features | Flat Substrate |
| VCE (sat) (V) | 1.80 |
| RthJC (K/W) | 0.097 |
| Packages | GWQ |
We are Pleased to Assist You
Find the support and assistance you need from MACMIC, and choose the solution that best fits your needs to get started.