MACMIC Introduces 125kW String Inverter Products

MACMIC is proud to launch the MMG400CF065PD6T5C/MMG450HP065PD6T5, designed for 125kW string inverters. These products feature MACMIC’s GCF and GHP packaging (compatible with Easy 3B / Flow2), both of which have passed the HV-H3TRB reliability tests. They deliver exceptional efficiency under customer operating conditions.

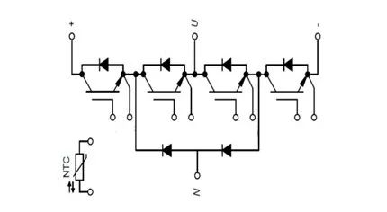
Circuit Topology: NPC-I
MMG400CF065PD6T5C

Product Features:
Welded PIN GCF Packaging (Compatible with Easy3B)
High Power Density Modules
Low Thermal Resistance Design with Si3N4 Ceramic
Low Parasitic Inductance Module Design
400A 650V NPC-I Topology
Utilizes G5T Technology Platform Chip (Benchmarking S5)
Application Benefits:
Passed HV-H3TRB reliability experiments
Chip Technology Platform Upgrade (5th Generation), improving power ratings
Three-Level Application: Enhances switching speed
Utilizes fast tubes to balance reactive power output and energy storage applications
Si3N4 Ceramic: Reduces thermal resistance, improves heat dissipation, significantly increasing application power (up to 120kW and above)
High Reliability Packaging: Module shows no significant changes after 200 cycles of TC 200 test
Reactive Power Output: Capable of reactive power compensation at night
When there is a phase difference between the grid voltage and current, photovoltaic inverters are required to have reactive power output capability. Additionally, providing reactive power compensation to the grid at night can result in greater economic benefits. Under reactive power output conditions, MACMIC’s GCF packaging shows a 7.7% lower outer tube loss and a 16.4% lower inner tube loss compared to competitor I. MACMIC products also have lower chip junction temperatures and higher efficiency compared to competitor I under reactive power output conditions.
Comparison of Losses Under Reactive Power Output Conditions: MACMIC vs Competitor I

The high thermal conductivity of Si3N4 ceramics leads to lower chip junction temperatures and higher power ratings.
MACMIC’s GCF products have significantly lower thermal resistance compared to competitor I. In the same power range, MACMIC products exhibit much lower chip junction temperatures than competitor I. This allows MACMIC products to handle higher currents, thereby increasing their power ratings.

High Reliability Packaging for Long-Term Use
As is well known, plastic components can undergo deformation after temperature cycling. The effectiveness of MACMIC’s GCF coating relies on the consistent height of the internal top pillars and the four corners of the plastic components, which are aligned with the DBC. Therefore, the extent of deformation at these two points after temperature cycling significantly impacts the module’s encapsulation and mounting stability. Experimental results show that after temperature cycling, the plastic length/height at these two key positions in MACMIC products remains virtually unchanged. As a result, MACMIC’s GCF modules canmaintain a perfect encapsulation effect over the long term, ensuring reliable performance for extended customer applications.

MMG450HP065PD6T5

Product Features:
Welded PIN GHP Packaging (Compatible with Flow2)
High power density module
Low internal resistance, high reliability PIN design
Low parasitic inductance module design
450A 650V NPC-I topology
Application Benefits:
HV-H3TRB Reliability Test Passed
Fewer parallel chips, excellent current sharing
Three-level application for improved switching speed
Outstanding dynamic and static parameters
Low internal resistance and high reliability PIN, enhancing overall efficiency and long-term stability
Low Voltage Drop, Low Dynamic Loss: Reduces overall system loss and improves system efficiency
Static Performance: MACMIC’s static performance significantly outperforms competitors, reducing conduction losses.


Dynamic Performance: MACMIC shows superior high-temperature dynamic performance compared to domestic competitors (S series), drastically reducing switching losses and improving system efficiency.

Switching Loss Comparison at Operating Conditions:
Tj = 125℃, Rgon = 10Ω, Rgoff = 30Ω, VCC = 400V
High Reliability of PIN Solder Joints – Solder Won’t Easily Detach
Some competing modules with similar packaging may experience issues with PIN solder joint detachment over time due to the high current-carrying capacity of the PIN pins and the soft materials used. In long-term use, the solder at the PIN pins can sometimes loosen. However, MACMIC’s GHP module has passed a 1000-cycle thermal shock test with no abnormalities in the PIN solder joints. Even when the pull force exceeds the maximum limit of the PIN, the solder remains intact. Robust PIN solder joint ensures long-term reliability of the product.

Summary
The MMG400CF065PD6T5C and MMG450HP065PD6T5 are high power density modules developed based on MACMIC’s advanced fifth-generation chip technology platform, specifically designed for 125kW string-type photovoltaic inverters. These modules offer significant advantages such as high efficiency, high reliability, and high power density, while also addressing issues such as switching oscillations and excessive voltage spikes commonly caused by high-speed chips. With these features, MACMIC’s modules ensure long-term stable operation of the customer’s entire system.