MACMIC has launched two new IGBT modules designed for the automotive 800V platform and range-extended hybrid vehicles.
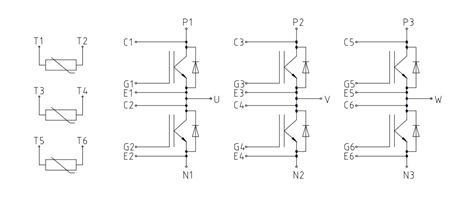
MACMIC introduces its latest products tailored for automotive applications: the MMG600V120X6RS designed for 800V electric drive controllers, and the MMG280VD075X6T7 developed for 1.5L range extenders with a 70KW GCU. Both products utilize MACMIC’s GV and GVD packaging technologies, which minimize conduction losses and deliver outstanding efficiency across a range of customer applications. The internal circuit topology is illustrated in the diagram below:
Circuit Topology: Three-phase full bridge

MMG600V120X6RS

Product Features:
GV packaging with support for both long and short power terminals (compatible with HPD)
High power density module
Low thermal resistance design with Si3N4 ceramic
Low parasitic inductance module design
High blocking voltage rating
Enhanced three-temperature short-circuit capability
Application Benefits:
Passed HV-H3TRB reliability testing
Lower Vcesat for improved efficiency
Optimized FRD for target applications, delivering enhanced output capability
Si3N4 ceramic reduces thermal resistance, enhances heat dissipation, and significantly boosts application power
Provide a maximum junction temperature (Tj(max)) of 175°C
Competitive Advantages:
Optimized design, increasing the number of PC
Reduced turn-on voltage tail time, significantly lowering turn-on losses
Minimized turn-off current tail time, greatly reducing turn-off losses
Summary:
The MMG600V120X6RS is MACMIC’s solution designed to align with current automotive industry trends, aiming to enhance the charging speed and driving range of new energy vehicles. With an output current of 380-420 Arms, it delivers higher efficiency and an improved experience for customers.
MMG280VD075X6T7

Product Features:
Smaller size (compared to HP1)
Designed specifically for GCU (Generator Control Unit), with more efficient chip distribution
Module design with low parasitic inductance
Enhanced three-temperature short-circuit capability
Application Benefits:
Proven reliability through HV-H3TRB testing
Lower forward voltage (Vf) for improved efficiency
Optimized FRD for target applications, delivering stronger output capability
Supports a maximum junction temperature (Tj) of 175°C for enhanced durability and performance
Competitive Advantages:
Optimized design to increase the number of power cycles (PC)
High vibration test standards, meeting AQG-324 random vibration requirement of 18g
Reduced turn-on voltage tail time, significantly lowering turn-on losses
Minimized turn-off current tail time, greatly reducing turn-off losses
Summary:
The MMG280VD075X6T7 is MACMIC’s solution developed in response to the growing popularity of range-extended electric vehicles. Designed for 70KW GCU applications, it offers a smaller size and enhanced vibration resistance, providing customers with higher economic benefits and improved reliability.